Features
◇ Pleasing industrial design, with mounting holes, easy to install
◇ Connection of compressed air and vacuum with threaded holes.
◇ Resin made housing , small size and light weight.
◇ Available in two types of vacuum flow specification.
Applications
◇ Ideal fro decentralized vacuum generation in highly dynamic processes.
◇ Handling of electronic components.
◇ Construction of ejector blocks for decentralized individual control of suction cups.
◇ Used in separation system for plastic and metal plate processing.
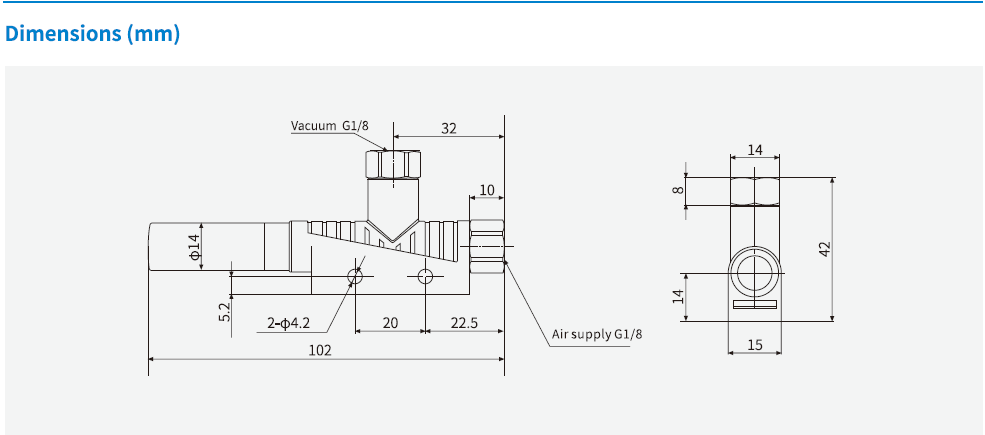
| How to order | |||||||
| ASBP 10 ① ② | |||||||
| ① Series | ② Nozzle diameter | Silencer | |||||
| ASBP | 10-φ1.0mm 15-φ1.5mm | Standard,with silencer | |||||
| Selection | |||
| Model | Standard silencer | ||
| ASBP10 | ● | ||
| ASBP15 | ● | ||
◇Note: "●"- standard, in stock.
| Technical parameters | ||||||||||
| Model | Nozzle diameter (mm) | Air supply pressure (bar) | Max. vacuum level (-kPa) | Max. Vacuum flow (NL/min) | Air consumption (NL/min) | Noise level dB(A) | Weight (g) | Recommended hose dia. (mm) | ||
| Air supply(P) | Vacuum(V) | |||||||||
| ASBP10 | 1 | 4.5 | 85 | 38 | 50 | 59 | 22 | φ6 | φ8 | |
| ASBP15 | 1.5 | 4.5 | 85 | 72 | 110 | 65 | 22 | φ6 | φ8 | |
◇Note: Max. operating pressure 7bar, standard operating pressure 4.5bar. Fluid and ambient temperature 0-60℃.
| Vacuum flow (NL/min) at different vacuum levels (-kPa) | ||||||||||||
| Model | Air supply pressure (bar) | Air consumption (NL/min) | 0 | 10 | 20 | 30 | 40 | 50 | 60 | 70 | 80 | Max. vacuum level (-kPa) |
| ASBP10 | 4.5 | 50 | 38 | 30 | 26 | 23 | 18.6 | 16 | 11 | 7 | 1.8 | 85 |
| ASBP15 | 4.5 | 110 | 72 | 60 | 52 | 44 | 36 | 30 | 24 | 15.5 | 2.2 | 85 |
| Evacuation time (S/L) to reach different vacuum levels(-kPa) | ||||||||||
| Model | Air supply pressure (bar) | Air consumption (NL/min) | 10 | 20 | 30 | 40 | 50 | 60 | 70 | Max. vacuum level (-kPa) |
| ASBP10 | 4.5 | 50 | 0.13 | 0.33 | 0.6 | 1 | 1.72 | 3 | - | 85 |
| ASBP15 | 4.5 | 110 | 0.06 | 0.18 | 0.32 | 0.52 | 0.81 | 1.32 | 2.7 | 85 |

